一、方案综述
用友U8为机械制造行业提供了能够快速响应市场、持续创新企业盈利模式的信息化解决方案。
通过设计与生产的无缝连接,可保障设计和制造信息的完整性和一致性,同时可缩短从
设计到制造的周期。
通过建立产销平衡的计划体系,可以全面解决销售订单准时交货、各生产单元协同等问。
通过建立高效协同的生产管控体系,能够强化对企业内部生产单元(车间、班组、机台)的管控力度,实现工序级生产现场管理和核算,提高作业效率。
通过建立全面质量管理体系,可以协助企业完善质量管控制度,并实现质量设计、质量过程监控、质量分析与提高的全过程管理。
通过建立全面成本管理体系,能够很好地落实事前预测、事中控制和事后核算的管理思想。
通过模具管理,可高效全面地将生产所用的各类模具管理起来。

用友U8机械行业解决方案关键应用架构图
二、应用价值
用友U8机械行业解决方案为机械制造企业提供了行业**业务实践。这些**业务实践可以指导企业逐步实现四大先进管理模式,即产销平衡的计划管理模式、生产现场的精细管理模式、全流程的质量监控模式和全员的成本管控模式,使企业在激烈的市场竞争中立于不败之地。
财务管理角度:
高效的财务核算:全过程的自动化核算使财务人员在控制、决策、分析和考评等方面发挥更大的作用。
全面的资金控制:通过现金追踪管理、货款追踪管理、现金流量表、资金预算控制等提高了资金运作效率。
准确快速的财务分析:完备的财务分析功能协助您对经营状况进行分析和决策。
严格的预算管理:通过预算的编制、控制和分析,为企业的管理决策提供依据。
精细的成本管理:根据企业管理需求的不同,可实现单品成本、订单成本、工序成本的精确核算。
供应链管理角度
精准的采购管理:通过销售预测和采购计划的科学编制可以调整采购时间的偏差,采购时间的控制以及催货函的预警能够提高准时到货率,最终实现采购成本的降低。
及时的销售管理:通过销售预测和价格管理刺激和掌控市场需求;通过售前模拟可做到科学接单;通过订单跟踪可提高发货的及时性;从而提高客户满意度。
动态的库存管理:与其他业务系统的数据共享以及商品的精细管理(如盘点、批次、效期、货位等),能够解决库存周转率低,库存量居高不下的问题;与存货核算及总账系统的数据传递,杜绝了账账/账物不符的问题。
生产管理角度
实现了设计、制造的一体化:产品设计从PDM开始,产品生产管理在ERP系统中进行,目前系统支持基础数据从PDM到ERP的无缝集成,实现了设计、制造的一体化。
建立了产销平衡的计划体系:通过准确、有效的计划管理,基本杜绝了人为“漏单”、“缺单”等情况的发生,保证了所产即所需,大幅提高客户订单的准时交付率。
完善了企业供应链的运行机制:通过实现企业计划管理和自动化排程,使得企业各项经营活动协调一致,完善了供应链之间的协同,保证企业经营目标的实现。
提高了采购准确性:通过系统编制采购计划,将采购员从繁琐的数据搜集和整理工作中解放出来,采购员可集中精力于按计划保质、保量、按时将料品采购到位,保证生产用料及时性。
三、关键应用
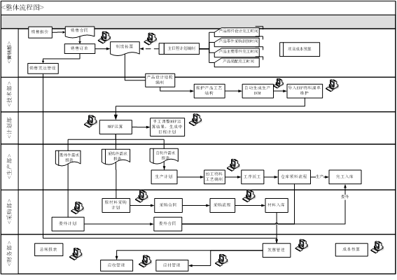
整体流程

4.1设计生产协同:
企业的信息化由以PLM为主的技术信息化和以ERP为主的管理信息化构成。技术信息化和管理信息化之间必须高效协同,才能避免由于设计数据和制造数据不一致带来的一系列影响生产进度和质量管控的问题。可实现:
产品物料数据同步:新建物料(原材料、标准件)在PLM中创建并生效后,通过数据通道直接进入ERP物料库。这样让设计物料库成为企业产品数据的源头。
设计BOM同步:设计数据在PLM中进行整合,形成完整的产品设计BOM,一旦生效便传递给ERP,并在ERP中完成物料需求计划;在ERP中可全阶查看维护设计BOM和订单BOM,一目了然,有利于发现设计问题和缺陷。
工艺路线同步:在PLM中完成工艺路线、工时定额、材料定额的设置,提交给ERP后,便可在ERP中处理生产计划并尽可能快的计算出产品的成本。
客户BOM同步:在PLM中可快速根据订单要求,在基型产品的基础之上,通过可选件、可替换件的定义以及根据参数的快速选配,形成满足订单要求的客户BOM并提交给ERP。
4.2产销平衡的计划体系
合理有效确认所需材料和产品,平衡订单与生产的关系,建立柔性的生产组织和车间管理,快速组织并完成产品的装配生产,迅速满足客户的需求。
提供了纯预测、纯订单及预测和订单混合等五种管理需求来源。提供多版本模式,给管理者多种参考和选择。
满足滚动计划,提供N+X滚动计划表,可一目了然查看计划结果。
提供SRP计划模式,满足紧急插单时订单独立计算物料需求的应用
提供计划供需溯源查询,了解计划的来龙去脉。
4.3精细的生产现场管理
生产过程管理是机械制造企业普遍棘手的问题。如何解决车间忙闲不均?如何控制车间领料?如何确定开工时间?如何跟踪生产过程?如何确定质量责任?如何计算计件工资或班组奖金?这些都是车间调度人员时时刻刻面对的问题。通过建立精确的车间现场管控体系,可做到:
提供生产齐料分析和库存齐套分析,确定是否具备开工条件。
根据车间人员设备负载情况和工序计划的安排,合理分派生产任务,避免忙闲不均。
根据生产计划和车间存料情况,制定生产领料明细表。
严格的限额领料,避免车间存料、造成浪费。
根据工序检验,实时记录检验结果,明确质量责任。
通过车间管理与计件工资功能、成本核算功能的结合,快捷准确地计算计件工资、核算实际成本。
4.4紧急插单处理
面对市场的快度变化,紧急插单在机械制造企业时有发生。紧急插单往往会打乱现有的生产节奏,如果不能够对各种影响因素进行必要的权衡,必然会对原有的计划产生较大的冲击,稍有不慎就会产生重大损失。通过紧急插单处理方案能有效地解决这一问题:
通过库存齐料分析,检核材料是否满足紧急生产需要。
通过车间能力检核,考察是否有空闲能力接受紧急生产。
在满负荷的情况下,通过模拟调单,考察对一些工序暂停后是否会造成严重影响。通过销售需求计划(SRP)针对紧急订单进行生产排产。
4.5全面质量管理
越来越多的机械制造企业认识到,高品质低价格已经日臻成为获取竞争优势的重要指标。越来越多的企业开始认真对待ISO9000认证体系和其他行业质量标准的执行。通过全面的质量管理,对物料的进货、车间的工序、在库、退货等环节全程质检,通过全检、按国标抽检、比例抽检、自定义抽检等多种质检方式进行控制和管理:
支持多种类型的质量检验:来料检验(采购检验、委外检验)、产品检验、工序检验、
在库检验、发货检验、退货检验、其他检验。
支持不良品的多种处理方式:降级、报废、退货、分拣、返工、返修、改制等,对
不良品的形成原因进行判定分析、处理。
支持品质量追溯:产品的前向追溯可实现对原材料供应品质的追踪;产品的后向追
溯可实现对生产过程及成品的质量问题追踪。
支持质量成本核算:满足对检验成本和不良损失成本两部分的精细核算。支持多角度的质量统计分析:为质量提高提供分析依据。
4.6全面成本管理
通过车间控制系统、质量管理系统与成本核算系统相结合,可以有效地解决企业关注的全面成本管理问题:
采购过程中发生的相关费用依据规定分配到采购材料中,形成采购成本。
仓库发出材料依据企业规定的材料出库计价方法计算出库价格,形成材料费用。
车间工序转移过程中统计实际工作量、工时、工废等数据,依据工时费率计算与作业相关的人工费;依据委外加工费统计归集产品的委外费用;依据实际工作量或工时等分配各种间接费用等。
从检验成本和产品非一致成本两方面进行质量成本统计。
使用成本卷积功能,按作业顺序从领料到完工逐步归集和累加费用形成作业成本。
使用成本还原功能,还原产品的实际料、工、费构成。

400-085-2588













AI时代的商业创新平台